http://ina-dxer.blogspot.com/2009/12/di-sini-saya-mencoba-untuk-sharing.html
N1MM Permulaan.
Di sini saya mencoba untuk sharing mengenai N1MM software secara globalnyanya saja pada pengoperasian WINDOWS XP, yang mudah-mudahan dapat bermanfaat bagi rekan, dan semoga ilmu yang didapat bisa di amal, namun bila terjadi kekurang kiranya sudi rekan untuk memperbaikinya melalui email : ina.dxer@gmail.com, semoga bermanfaat bagi rekan-rekan yang ingin berkecimpung di radio amatir.
Dan yanng perlu diketahui bahwa program ini bukan merupakan program untuk logbook jadi tidak bisa melakukan pencetakkan qslcard atau pengecekan qslcard yang sudah dikirim/ diterima karena itu ini bukan program harian, Aplikasi program ini digunakan untuk yang biasa melakukan kontest sebagai log dalam penggunaan kontest seperti WPX, WW Contest, CQDX Contest dll.
Aplikasi program ini digunakan untuk pelaksanaan kontest, dimana para perserta diwajibkan mengirimkan hasil dari kontest dengan cara konvert file hasil dari kontest yang dibutukan secara otomatis, kemudian file tersebut akan di kirim via e-mail dari pelaksanaan kontest yang ada di luar negeri.
Aplikasi program ini juga dapat digunakan untuk kontest dalam negeri namun kita mengerti trik dan cara tambahan dalam penggunaan dan pelaksanan yang baik, serta melakukan lebih dahulu, langkah-langkah ekperimen lainnya agar tidak terjadi error-coretions, disebabkan karena program ini digunakan untuk standar internasional kontest di dunia amatir radio.
Namun yang jelas program ini sangat menarik untuk digunakan bagi rekan-rekan di amatir radio yang akan menggunakan. Dengan program ini dapat melakukan penghandelan terhadap duplikasi dan score lainnya yang dapat menjadi lebih cepat untuk mengkoreksi untuk menang.
Good Luck for the contest……..
Tentang Software N1MM
Langkah Pertama.
Instalasi untuk pertama kali pada software N1MM untuk bagi yang belum pernah menggunakannya. Download dan instal file ini ber nama “N1MM-FullInstaller.exe” dan dapat di download padahttp://n1mm.hamdocs.com/tiki-index.php?page=Base+Install dan yang harus di instal adalah :
– N1MM Logger.
– Grayline program.
– Download help file
– Download Manual
– Desktop Shortcut
– Quick Launch Shortcut
– DLPORTIO port driver
Finish
Catatan :
Ini berlaku pengulangan instalasi bila terjadi pengembangan sampai beberapa versi jauh anda tidak melakukan perubahan/updating.
Langkah Ke-dua. Instalasi untuk meng-update.
Install Update “N1MM-newexeVx.xx.xx.exe”
Catatan : – harus selalu update sebelum melaksanakan contest.
Update juga File CTY.dat versi terbaru.
Catatan :
Ini berlaku pengulangan instalasi setiap saat akan mengikuti kontest. namun bila tidak biasa terdapat error dalam tengah perjalanan.
Langkah ke-tiga.
Instalasi DLPORTIO
Langkah Berikutnya.
Langkah ini adalah suatu pilihan bila di perlukan yaitu bila anda ingin mengunakan morse dengan automatic ptt ataupun menggunakan suara computer untuk melakukan dx mode ssb dengan automatic ptt. Anda harus membuat suatu rangkai yang menghubungkan antara computer dengan radio komunikasi anda (Interface PC ke Radio. Bagi awalnya anda harus mengerti dahulu sedikitnya tentang susunan pin pada RS-232 dan IRQ pada Comport PC anda , karena ini berkaitan dengan pengaturan software N1MM pada saat mengkonfigurasi Hardware yang terdapat di menu N1MM.
IRQ yang terkait pada komputer anda dapat dilihat pada waktu start-up komputer dengan menekan F-8 yang akan memasuki BIOS daripada komputer anda. Catatan IRQ code yang digunakan oleh sesuai comportnya(multi I/O).
Dibawah ini bentuk RS-232 dengan konektor DB-9 karna komputer yang baru sudah tidak lagi menggunakan RS-232 dengan konektor DB-25.
Pin yang perlu anda perhatikan adalah pin 4 Dan pin 7 Karena pin ini dapat bertukar fungsi dalam pengunaan antara pin untuk PTT dan pin CW bila menggunakan software N1MM.
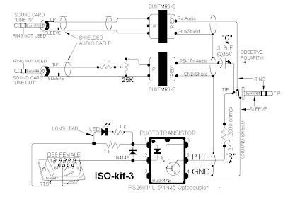
Rangkaian di bawah ini adalah rangkaian schema sederhana yang dapat di modifikasi entah baik mana saja anda akan lakukan.
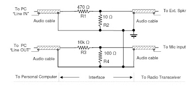
Sedangkan untuk rangkaian hubungan audio PC dan audio Radio, Harus ada penambahan potensio agar input dari radio dengan PCatau Output PC Speaker ke Mic Radio anda tidak terjadi overload dan harus ditambahkan juga transformer audio 600Ohm:600Ohm atau biasa dikenal 1:1(1 banding 1), keuntungan dapat bila terjadi sort atau overload transformer ini akan putus.
Beberapa Contoh Interface Lainnya
http://ina-dxer.blogspot.com/2009/12/di-sini-saya-mencoba-untuk-sharing.html
YB Land DX Club DX-ing Is Our Life




